Description
Thermocouples have been around forever and are a great way to measure temperature. They have a very large range, are robotools, and come in all kinds of lengths, varying tip configurations, and a variety of sheaths.
The challenge with using thermocouples is with the need for what is known as cold junction compensation and the need to detect a very small voltage change for every degree in a change of temperature.
Fortunately, there are chips like the MAX6675 that make connecting a thermocouple to your Arduino an affordable breeze. The device measures the output of a K Thermocouple and provides the result to the Arduino via an SPI interface.
The MAX6675 Thermocouple Sensor Module makes use of the Maxim MAX6675 K-Thermocouple to digital converter IC to provide a microcontroller compatible digital serial interface (SPI compatible) to provide an accurate temperature-compensated measurement of the supplied K-Type thermocouple sensor.
The data is output in a 12-bit resolution, SPI compatible, read-only format. MAX6675 converter resolves temperatures to 0.25°C, allows readings as high as +1024°C, and exhibits thermocouple accuracy of 8 LSBs for temperatures ranging from 0°C to +700°C.
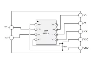
MAX6675 Module Pin Outs:
The pin-outs for this module are shown in the illustration below. Click on the image to make it larger.

These pins function as follows:
- SO: The module’s serial output. Your Arduino will read this output.
- CS: Chip Select. Setting low selects the Module and tells it to supply an output that is synchronized with a clock
- SCK: The Serial Clock… input from your Arduino.
- VCC: 5V supply
- GND: Ground.
- – (or Minus): The K thermocouple minus input.
- + ( or Plus): The K Thermocouple plus input.
Max6675 Schematic:
Important Note: Most K thermocouples come with a red lead and a yellow lead. The red lead is normally your negative connection and the yellow lead is your positive. That is the industry standard. That said, some of the suppliers for the module will, in fact, jack this up and provide you with a thermocouple with red indicating positive. The way to know is if you increase the temperature at the thermocouple tip and the indication goes lower.
Features :
- High impedance differential inputs.
- Thermocouple break detection.
- 2000V of ESD signal.
- Embedded thermocouple break detection circuitry.
- Compatible with K-type temperature probe
- Simple SPI serial output temperature.
- The internal integrated cold junction compensation circuit
- Temperature signals can be converted into 12-bit digital.
Package Includes:
1 x MAX6675 Thermocouple Sensor Module.









Reviews
There are no reviews yet.